
|
【产品名称:高压卡箍球阀】
【产品型号:BKH、MKH】
高压卡箍球阀产品简介:
高压卡箍球阀驱动方式可选用手动、气动、电动,连接方式可选用卡箍,结构形式可选用直通式,密封结构可选用硬密封,压力范围PN1.0-50MPa,公称通径为DN13-50mm,材质可选用碳钢、不锈钢。由于阀门的使用范围非常的广泛,同一种阀门在不同的场合与工况有不同的搭配,如果您是非专业人士,欢迎您向本公司来电咨询。本公司有专业技术人员为您服务!
高压卡箍球阀工作原理:
高压卡箍球阀它具有旋转90度的动作,旋塞体为球体,有圆形通孔或通道通过其轴线。卡箍球阀在管路中主要用来做切断、分配和改变介质的流动方向,它只需要用旋转90度的操作和很小的转动力矩就能关闭严密。
高压卡箍球阀产品特点:
1、维修方便,卡箍球阀结构简单,密封圈一般都是活动的,拆卸更换都比较方便。
2、紧密可靠。它有两个密封面,而且目前卡箍球阀的密封面材料广泛使用各种塑料,密封性好,能实现完全密封。在真空系统中也已广泛使用。
3、结构简单、体积小、重量轻。
4、流体阻力小,全通径的卡箍球阀基本没有流阻。
5、操作方便,开闭迅速,从全开到全关只要旋转90°,便于远距离的控制。
6、由于卡箍球阀在启闭过程中有擦拭性,所以可用于带悬浮固体颗粒的介质中。
7、适用范围广,通径从小到几毫米,大到几米,从高真空至高压力都可应用。
8、在全开或全闭时,球体和阀座的密封面与介质隔离,介质通过时,不会引起阀门密封面的侵蚀。
高压卡箍球阀型号说明:
①产品代号:BKH、MKH系列高压球阀
②接头标准:SAE J518C标准
③压力等级:210、420 bar
④公称通径:13、20、25、32、40、50 mm
高压卡箍球阀技术参数:
☆连接方式:卡箍、法兰。
☆口径尺寸: [DN6-DN50]
☆工作压力:[PN31.5、PN500MPA]]。
☆介质温度:-20℃≈180℃。[可根据不同的工控选择材料]
☆流体介质: 水、油品、气、燃气类介质。
☆阀体材质:碳钢、不锈钢。[可选]
☆密封材质: 聚四氟乙稀PTFE 增强聚四氟乙稀PPL、橡胶
☆球芯材质: 实芯不锈钢球
☆阀杆材质:不锈钢。
☆填料: 石墨、增强聚丙稀 ☆体外表:铸钢:磷化或镀锌,不锈钢:本色[有效防锈]
|
||||||||||||||||||||||||||||||||||||||||||||||||||||||||||||||||||||||||||||||||||||||||||||||||||||||||||||||||||||||||||||||||||||||||||||||||||||||||||||||||||||||||||||||||||||||||||||||||||||||||||||||||||||||||||||||||||||||||||
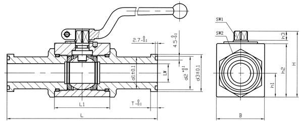
图形符号 ![]() ☆高压卡箍球阀型号说明 ![]() ①产品代号:BKH、MKH系列高压球阀 ②接头标准:SAE J518C标准 ③压力等级:210、420 bar ④公称通径:13、20、25、32、40、50 mm ☆高压卡箍球阀外形尺寸 ![]() ☆高压卡箍球阀尺寸表
|